Автоматическое управление магнитолой в Toyota Mark II (90) при снятии/постановке на охрану
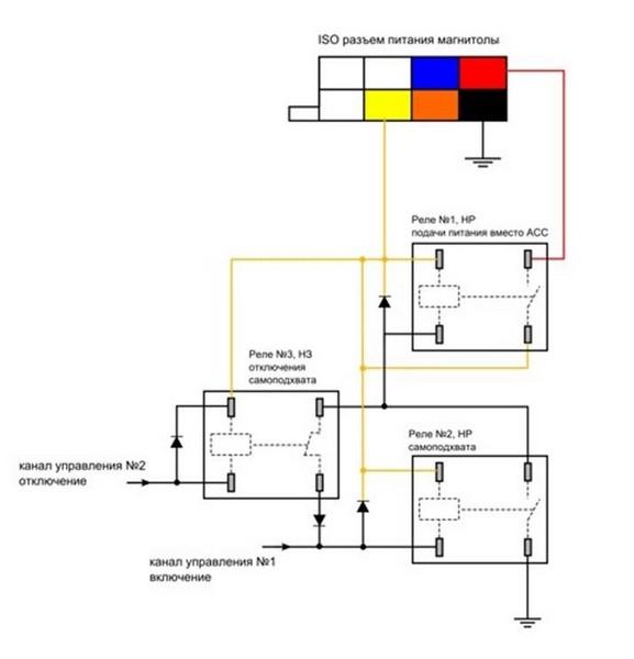
Правильно подключить магнитолу просто необходимо. Если напрямую, то высаживает аккум в режиме ожидания, если через замок зажигания, то ключ не вынешь. Пришла мысль доверить управление магнитолой сигналке, я продвинул идею дальше. Сначала нарисовал сложную схему с тремя реле, самоподхватом и двумя задействованными каналами сигнализации:

Первый вариант
Уже на "пол пути" понял, что слишком громоздко и муторно. Решил использовать дополнительный выход блокировки стартера (к тому же, программируемый) и была нарисована такая схема:

Итоговый вариант
Все очень просто. Управляется НР (нормально разомкнутым) дополнительным выходом блокировки стартера, т.е., когда сигналка снята с охраны, реле срабатывает и замыкает желтый провод с красным, магнитола включается. Когда ставим на охрану, реле выключается, и магнитола засыпает. Реле удобно спаять со стороны проводки магнитолы, а провод сигналки сделать съемным на плоском зажиме.


Все готово. Диод необходим для защиты выхода сигналки.

Обмотал реле шумкой, чтобы не гремело, когда болтается

https://www.drive2.ru/l/3948115/
9871|
|
Твитнуть |
Метки: управление автомагнитолой
Комментарии
- Комментарии не найдены

Оставьте свой комментарий
Войдите под своим именем, чтобы оставить комментарий
Оставить комментарий от имени гостя