Ремонт распределителя зажигания S5 Mazda 626
Проблема: пропала искра в Mazda626. При увеличении скорости машина начинает дергаться, как будто бензина не хватает. Через 10 сек дерганья глохнет

Проверил светодиодом на ошибки — ошибок нет.
Скинул задний диван, проверил бензонасос — работает.
Стартер крутит, машина не заводится.
Снял свечку, проверил искру — искры нет.
Подозрение пало на распределитель.
Проверил провода — питание подается. Выставил метки, снял, разобрал.

Сальник деревянный, внутри следы масла.
Проверил катушку — сопротивление первичной и вторичной обмотки как в книжке. Но на выходе есть вот такой небольшой пробой:



Так же сейчас верчу в руках модуль зажигания RSB-52.
Собрал распределитель без катушки, вместо катушки поставил лампочку 12В 1,3Вт.
Подключил на машине, включил зажигание — лампочка загорелась. Значит напряжение на катушку приходит. Стал вращать вал — лампочка на каждые 90 градусов гаснет, слышно как отрабатывают форсунки. Значит модуль зажигания RSB-52 исправен.

Остается катушка. Заказал CN-33 MOBILETRON, сальники 91209612003 HONDA, FS0118201 MAZDA.
Мысль. Если катушки так часто летят на S5, то почему бы не вывести контакты наружу на внешнюю катушку со сходными параметрами? Актуально в условиях антикризисных мер.
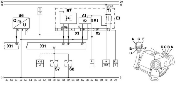
Пока ждал катушку, накидал схему распределителя зажигания S5 Mazda 626:


Как пришли з/ч, заменил сальник — течь масла устранена, заменил катушку — появилась искра;



Машина завелась сразу. Сначала немного потроила, тк свечи отсырели. Проверил УОЗ стробоскопом — чуть уехал с 12 до 13 град . Распределитель пришлось повернуть примерно на 1 мм относительно меток.
Работа по ремонту распределителя зажигания S5 Mazda 626 закончена.
16335|
|
Твитнуть |
Метки: зажигание, распределитель зажигания
Комментарии
- Комментарии не найдены


Оставьте свой комментарий
Войдите под своим именем, чтобы оставить комментарий
Оставить комментарий от имени гостя