Светодиодные стоп-сигналы и габариты в задних фонарях Газель
Пришла пора вживлять светодиоды в задние фонари моей газели!
Нахрена, если есть готовые варианты спросите? Скажу сразу эти фонари собраны на сильно дешёвых светодиодах, днём их не увидишь и угол излучения очень маленький. Те же проблемы у светодиодных лент и полос.
Поэтому купил красные светодиоды пираньи с яркостью 2 cd, видимым углом свечения 90 градусов рабочим напряжением 2,2 В и током 20 мА. Прикинул как мне больше нравится и сделал вот так:

Здесь 25 светодиодов в треугольнике
Подключены в элементы по 5 штук последовательно, с нагрузочным резистором в 110 Ом для каждого элемента. Общий для всех элементов защитный 1 амперный диодик Шоттки. Ниже всё собрано:

Вот собранный макетик будущих габаритов
Ниже на снимках можно увидеть как было и ещё ниже как вот- вот будет.

Так было. В габаритах лампочки обычные 5 ватные, ток при 14 В около 500 мА каждая

Слева опять таки лампочка, справа уже светодиоды, готовый модуль при 14 В около 100 мА

Тут поближе!)
В общем уже стало симпатично!) Но стоп-сигнал явно буду менять на светодиоды в ближайшее время, потому как по яркости он как раз рядом с моими новыми габаритами. Хотя есть вариант чуток уменьшить яркость резисторчиками, что бы контраст всё таки был!) При дневном освещении светодиоды хорошо видны, ночью при хорошей яркости не слепят.
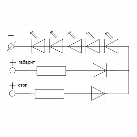
Использована вот такая схема подключения:

Схема типа принципиальная, на ней видна её простота, вместе с тем заметно отсутствие защитных элементов от превышении напряжения, хотя разгрузочный резистор и потенциал светодиодов позволяет непродолжительную подачу на них напряжения до 25 В
В ближайшее время закажу светодиоды с большей яркостью для стоп-сигналов и указателей поворотов только жёлтого цвета.)
Для заднего ходя припасены белые светодиоды с яркостью в 120 Люмен, если устроит их яркость, то поставлю в фонари заднего хода, если нет, то буду рассматривать другие варианты.
07.01.2012г. В процессе изготовление светодиодных модулей стоп-сигналов из таких же "пираний" которые использовались в габаритных модулях. Яркость габаритов оказалась избыточной!( В относительно солнечный день светят как стоп-сигналы, в тёмное время хоть и не слепят, но позади машины всё красно, как буд-то включены противотуманки! Поэтому яркость их немного уменьшу по средством подбора резисторов и через диодную развязку запараллелю с модулями стоп-сигналов, дабы при нажатии на тормоз габаритные модули загорались ярче вместе с модулями стоп-сигналов. Светодиоды для стоп сигналов подключу таким же образом как сейчас габариты либо с небольшим превышением рабочего тока, так как запас есть по току с 20 до 30 мА допустимого максимума.
Решил всё это дело окультурить и заказал макетки печатных плат чтобы всё было красиво и аккуратно:

16 на 10 см
19.01.2012г. Приглушил яркость габаритных модулей резисторами в 220 Ом, получилось самое то:
Довольно симпатишно

Наконец дошли руки до стоп-сигналов!
Применил те же самые как и в прошлый раз светодиоды "Пиранья":

Вот моя рыбка)
только вместо абстрактной конструкции, как у габаритов, использовал макетную плату выпилив под свои нужды определённые размеры и сваял вот такие модули:

Ток работы светодиодов при 14 В около 110 мА на модуль. В каждом модуле по 25 светодиодов, подключённых по 5 последовательно. Яркость подобрал почти максимальную, но тем не менее с запасом по прочности для светодиодов. Путем не сложных операций с диодами Шоттки запараллелил модули с габаритами,
Сохранить в Альбом

предварительно подкорректировав яркость свечения последних сделал что при нажатии на тормоз, габариты вспыхивают в разы ярче, дублируя стоп-сигналы:
![clip_image008[1] clip_image008[1]](/images/clip_image0081_caefa764-e07e-4da9-af74-06bdc4a2186d.jpg)
Одни габариты

Стоп-сигнал и дубляж габаритами
В итоге получил довольно яркое подтверждение стоп-сигнала, если сравнить с лампочкой то немного ярче последней. Быстрота включения светодиодов так же на доли секунды быстрее что думаю положительно скажется на дорожной ситуации за мной. Ну и сам результат содеянного радует!)
20.01.2012г. Вечер. Обкатал "новые" и "старые" светодиоды. Днём хорошо видимое свечение габаритных модулей и абсолютно различимое свечение стоп-сигналов по сравнению со стандартными лампочками небо и земля. В тёмное время суток по ощущениям очень приятное свечение габаритов и очень хорошая яркость стоп-сигналов и меня очень радует результат и считаю что время потрачено на данные самоделки не зря.
П.С.- На очереди дополнительный стоп-сигнал под нижними запорами и указатели поворотов в задние фонари и фары, всё светодиодами конечно!) Правда жёлтые пираньи стоят в три раза дороже чем красненькие (4,55р./шт.), а их надо по предварительным подсчётам 80-100 шт (то есть порядка 1200-1400р. смотря в каком магазине и какие по цене брать, есть конечно и по 70р./шт., но моя жаба столько бабла не даст полюбому), красных у меня ещё штук 50 есть). Милая жаба сидит и душит, не хорошая такая животная! Да и жена ругается, мол машине больше внимания чем ей!) Надо чуток выждать!)
20.12.2012г. Светодиоды подорожали до 6,75 р./шт., да ну хрен бы с ними, стопы и габариты безотказно работают!
https://www.drive2.ru/r/gaz/288230376151920554/logbook/
24747|
|
Твитнуть |
Комментарии
- Комментарии не найдены


Оставьте свой комментарий
Войдите под своим именем, чтобы оставить комментарий
Оставить комментарий от имени гостя