Установка сигнализации с дистанционным запуском УАЗ Patriot
Содержание статьи:
1. Подключение сигнализации с дистанционным запуском для УАЗ Patriot
2. Подключение микроволнового датчика УАЗ Patriot
3. О новых возможностях блока электропакета ИТЭЛМА 3163-6512020
Подключение сигнализации с дистанционным запуском для УАЗ Patriot

Инжекторная машина должна иметь дистанционный запуск, иначе зачем этот инжектор. Заехав в пару салонов, и предварительно спросив, каким образом мне ее поставят, я узнал много нового. Оказывается, в таких сложных авто, установщики особо не парятся, и ставят ВТОРОЙ соленоид на водительскую дверь, который приводит в движение родной, и тем самым ЦЗ.
Это даже не то, что жуть, а… подумал я. И когда я начал объяснять, что я хочу подключиться параллельно штатной сигналке. Делать отказались. Вариантов не оставалось…
Для подключения нам понадобится:
1. Самый дешевый тестер за 160 рублей
2. Два мотка черной изоленты
Ход работ по подключению сигнализации с дистанционным запуском для УАЗ Patriot
Разбираем панель.

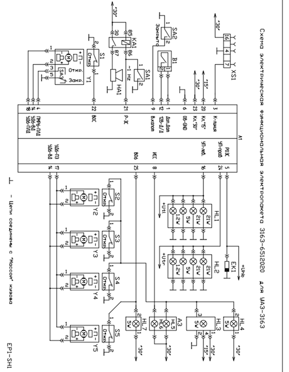
Находим блок родной сигналки. Он у нас совмещен с блоком электропакета, и находим мы его под правой ногой пассажира. Видим, что сделала его контора ИТЭЛМА, и имеет он номер 3163-00-6512020-00. Находим схему пакета

Прозванием цепи, методом открывания дверей и капотов, все совпадает, цепляем провода от сигналки. Единственная проблема возникла с ЦЗ – небольшое отличие, методом прозвона было выявлено, что ЦЗ у нас управляется по минусу и закрытие надо вешать на 7-ю ногу пакета, а открытие на 2-ю – проверяется просто – подаете минус любым проводком на ногу и двери должны открываться/закрываться. В итоге на ЭП : 22 – концевики дверей, 9 – капот, 25 – багажник, 24,16 – поворотники. Тянем провода на сирену, 12+ я взял с замка зажигания, землю на шпильку массы. Контроль двигателя по генератору на сине-оранжевый провод в разъеме ХР2 комбинации приборов (проверить — не везде одинаково)

Ну в общем то и все в плане общего подключения и использовании сигналки как центрального замка и дистанционного запуска.
Тем же, кто хочет еще и воспользоваться противоугонными функциями устройства, советую использовать нормально-разомкнутую схему. Конечно, приходиться городить огород с доп реле и парой кусков проводов, но, если блок сигнализации вырезать / вырвать / отключить, то блокировки при этом не снимутся.
Подключение микроволнового датчика УАЗ Patriot
В связи с кражей запаски, решил усилить средства защиты. На запаску поставил секретку, а к сигналке подключил дополнительный датчик — микроволновой.
Вот такая вот коробочка, размером со спич. коробок:

Микроволновой датчик PIT AMS-002
Принцип действия датчика прост — он генерирует вокруг себя поле и одновременно сканирует его изменения. Как только в поле появляется нечто массивное, датчик срабатывает. Датчик 2-зонный, внешний периметр настравается на приближение вплотную к машине, внутренний, на движение внутри. Устанавливается в центре авто (я поставил на верхнюю крышку центрального бардачка, изнутри).
Смысла использовать этот датчик при парковке на оживленной улице нет — будет постоянно пищать, а вот на тихой дворовой стоянке вроде пока показывает себя неплохо — брелок пищит только когда сутра сосед уезжает (сигнализация у меня к сирене не подключена, работает всегда тихо и жильцов не беспокоит).
О новых возможностях блока электропакета ИТЭЛМА 3163-6512020
Дарю идею и один из вариантов её реализации.
Есть выражения "умный дом", "умное освещение" и др. Я буду писать о внедрении "умного энергоснабжения".
Задача простая: обеспечить автоматическое отключение определённых потребителей при включении сигнализации. Зачем? Чтобы иметь возможность пользоваться всевозможными розетками на стоянке при заглушенном двигателе и предупредить разряд АКБ при включении сигнализации.
Многие реализуют управление электропитанием на микроконтроллёрах, используя реле времени и прочие примочки, доступные для данных устройств. Это отличное решение в духе современности, но относительно дорогое, требующее навыков программирования или возможности загрузки готовых прошивок в контроллёр. Я реализовал задумку просто и дёшево на элементной базе прошлого века (стоимость комплекта деталей до 200 руб).
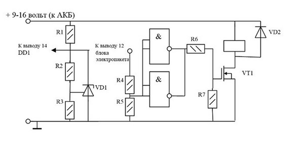
Ключевая мысль этой статьи: на 12 контакте блока управления электропакетом ИТЭЛМА 3163-6512020 появляется +12 вольт при включении сигнализации и около 3 вольт при снятии с сигнализации.
То есть, грубо говоря, есть логический ноль и логическая единица, а дальше можно проектировать кто как умеет. Двенадцатый вывод используется для питания дополнительных датчиков. Что на него нацеплено внутри блока 6512020 и чем он управляется — понятия не имею. Значит нужно сделать инвертор с высоким входным сопротивлением, чтобы он никак не влиял на блок управления электропакетом, и пусть он управляет цепями питания мощной нагрузки. На микросхеме К561ЛА7, полевом N-канальном транзисторе и обычном автомобильном реле сделан этот инвертор. Всё просто, в налаживании не нуждается, надёжно как в электронике ВПК.
Принцип работы: сигнализация выключена (машина открыта) — контакты реле замкнуты; сигнализация включена — контакты разомкнуты.

Схема инвертора управляющего сигнала
Всё собрано на печатной плате 40х40 мм.
О деталях: резисторы R1 и R6 — 620 Ом, R2 — 12 кОм, R3 — 3 кОм, R4 — 1,2 кОм, R5 — 10 кОм, R7 — 36 кОм. VD1- TL431 (аналог К142ЕН19, можно просто поставить стабилитрон с напряжением стабилизации 10-13 вольт), VD2 — любой на 0,2 А, VT1 — IRFZ34 или КП727. DD1 — К561ЛА7, можно К176ЛА7 (не желательно, но можно). Важно: неиспользуемые входы микросхемы соединить с общим проводом, желательно не допускать подачу управляющего сигнала без обеспечения питания микросхемы.

Цоколёвка микросхемы.
Преимущества устройства: минимальное энергопотребление (2,4 мА в режиме ожидания инвертора + 1 мА от блока 6512020), простота монтажа и дешёвые детали.
Недостатки: наличие реле, соответственно высокое потребление при работе (100 мА).
Возможности совершенствования: отказаться от реле, заменив его полевым N-канальным транзистором, но это усложняет схему, т.к. для полного открытия транзистора на затвор надо подать напряжение 20-25 вольт, для этого требуется повышающий импульсный источник питания. Другой вариант, заменить N-канальный транзистор на P-канальный (IRFR 5305, если найдёте). Тогда получится классическое управление нагрузкой по плюсу питания с отличными техническими характеристиками: максимальный ток 30 А, собственный ток потребления не более 2,5 мА в любом режиме. Может со временем сделаю.
Как всё смонтировано в автомобиле: от АКБ в салон заведён отдельный толстый провод на дополнительную колодку предохранителей от Газели, расположенную слева на торце торпедо под декоративной крышкой. Часть предохранителей используется для цепей питания, где всегда требуется 12 вольт, а на остальные предохранители напряжение поступает через реле инвертора. Контактов для подключения потребителей на колодке более чем достаточно, т.е. вариантов для творчества масса.
![clip_image003[4] clip_image003[4]](/images/xclip_image0034_abc897f4-0eba-467c-a0d3-54aaa3cc2d8a.jpg.pagespeed.ic.8UvFAwN6LL.jpg)
Вариант монтажа.
https://www.drive2.ru/l/531878/, https://www.drive2.ru/l/1594923/ , https://www.drive2.ru/l/7312675/
25097|
|
Твитнуть |
Метки: дистанционный запуск
Комментарии
- Комментарии не найдены


Оставьте свой комментарий
Войдите под своим именем, чтобы оставить комментарий
Оставить комментарий от имени гостя