Установка MDD-7120S вместо AGC-0071RF в Nissan Qashqai
Захотелось мне ГУ с большим экраном. А так, и зеркало, и камера умерли после аварии, то решил восстановить всё в расширенном порядке. Кронштейны использовал старые, сточив только установочные выпуклости на них. Рамку доработал Диолдом хороший гравёр (аналог Дремеля).
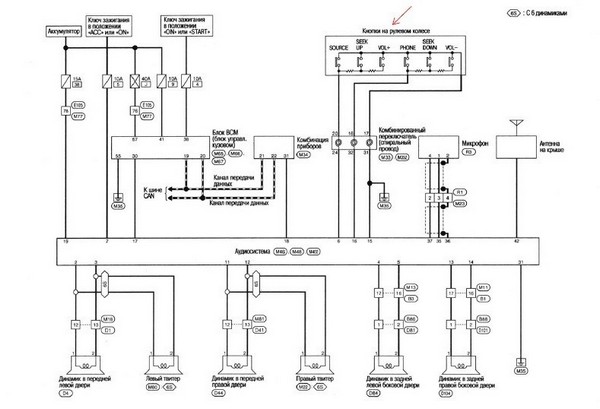
Сижу ломаю голову как подключить кнопки на руле. Возможность есть и настройки в магнитоле то же. Так же не понял куда подключать провод "ILL" и розовый на ручник (что бы видео показывало и без ручника) вроде как на массу. Если кто знает, подскажите пожалуйста. Провода на магнитоле я отметил красными стрелочками.

Куда подключать эти провода?
Пока пользуюсь пультом от магнитолы + заказал стекло на али 7" дюймовое + камеру на Кашкай у того же продавана на али.

Штатный разъём


Этот, как я понял остаётся незадействованным

Переходники ISO на основной разъём и антенну

Было

Проверка

Целый день так ездил

Примерка

Доработка рамки

Примерка 2

Установил переходники и штатное крепление.



В итоге цвета в штатной колодке не совпадают по цвету со схемой. На колодке я отметил цвета, которые были у меня. В итоге 6 провод подключил к скрутке магнитолы (по её инструкции), к 16-му пину штатной проводки припаян резистор 330 ом, а другим концом к 6 пину. Чёрный земля. Сделал всё через разъём, что бы можно было спокойно снимать магнитолу. Цвета проводов соблюдал.

Такая схема была у меня





Схема из инструкции к магнитоле

Колодка

ЗАРАБОТАЛО!
Кнопки обучаются только при включенном зажигании, в АСС не хотят. Потом нормально работают.
https://www.drive2.ru/l/10065389/, https://www.drive2.ru/l/10078233/
25015|
|
Твитнуть |
Метки: MDD-7120S
Комментарии
- Комментарии не найдены


Оставьте свой комментарий
Войдите под своим именем, чтобы оставить комментарий
Оставить комментарий от имени гостя