
Китайская фара дтп выдержала — сломались крепления, появились глубокие царапины, но не лопнула.
Восстанавливал следующим способом:
1. Отрезаем от фары кусочки пластика "ненужных" элементов. Например, козырьки вентиляции. Нарезаем тонкими полосками.
2. Греем паяльным феном эти кусочки при температуре примерно 380-400 градусов, пока не начнут размягчаться.

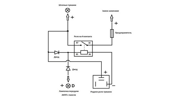
Сегодня речь пойдет еще об одной полезной вещи (хотя, не для всех приемлемой), а именно о ДХО из противотуманок. Задумывался о них, я уже давно и причем в разной вариации исполнения. Но окончательно определиться, что делать их нужно, помогло мне доблестное ГИБДД, после того, как заплатил им пару штрафов, причем "отмазаться" не получилось, так как попался на видеофиксации. Многие конечно скажут

Пришли 33-62 от Tourer Edition. Оригинальные фары под ксенон. Ставились только после рестайлинга и только в комплектации Tourer Edition. С этой комплектации у меня уже год. Фары приехали в целости и сохранности. Конечно, присутствуют некоторые потертости, пара царапин. Но перед установкой фары в любом случае будут полироваться, а возможно и покрою лаком их, поэтому на мелкие косячки я пока не

После покупки заметил, что поворотники работают через раз, также как и аварийка, а потом тупо залипают и горят. Сразу стало ясно причина в релюхе поворотников. Решено было искоренить проблему. Полазив по сайту D2R понял, что у многие сталкиваются с такой проблемой, но ни в одной из записей не нашел где именно расположена эта релюха. Кто пишет в ногах пассажира, кто пишет под рулевой