Замена блока кондиционера в Toyota Mark II (100)
Давно уже сделал замену блока кондиционера с обычного без экрана на блок климат контроля с экраном, но все не как не доходили руки описать данную процедуру.

Старый блок

Новый блок
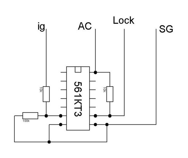
Просто вытащить старый и поставить новый более продвинутый в наших машинах не получается, он просто не будет работать (хотя в некоторых комплектациях, случается чудо, и он оживает. Поэтому, для того, чтобы он "прижился", делается небольшая обманка и припаивается на контакты схемы.

Ig — контакт 16 большого разъема блока климата
AC — контакт 10 малого разъема блока климата
Lock — контакт 3 большого разъема блока климата
SG — контакт 1 большого разъема блока климата


Что получаем в итоге:
1. Больше режимов обдува салона (вместо трех положений, пять)
2. Возможность вывести на экран забортную температуру.
3. Наличие экрана в место обычных значков.
4. Ну и самая полезная вещь, это сам климат контроль
https://www.drive2.ru/l/288230376153083106/
9544|
|
Твитнуть |
Метки: блок кондиционера
Комментарии
- Комментарии не найдены


Оставьте свой комментарий
Войдите под своим именем, чтобы оставить комментарий
Оставить комментарий от имени гостя