Установка и схема климат-контроля при АЗ в Nissan Almera N16
Содержание статьи:
- Установка климат-контроля в Nissan Almera N16
- Схема для климат—контроля при АЗ для Nissan Almera N16
1. Установка климат-контроля в Nissan Almera N16
Не выходит у меня мысль из головы о климат-контроле, как так в Samsung-е есть, а в Nissan-е нету при условии, что по факту автомобиль один и тот же.
Довелось мне заказать из Украины сам блок управления климат-контролем, а до этого много читал сообщений от тех, кто уже проделал эту процедуру, хоть таких и единицы. Разглядывая выложенные фото и фото блока который в пути ко мне заметил следующее —
у бывалых кто уже ставил климат-контроль имеется кнопка на блоке, которая позволяет выставить автоматическое управление забором воздуха снаружи либо режим рециркуляции, фото в студию…
Блок управления под газоанализатор
А тот блок что я заказал без этой функции, т.е. режимы забора воздуха управляются "вручную", фото в студию…
Мой вариант без газоанализатора
Функция управления заслонкой выбора забора воздуха черевата установкой доп.датчика AQS (или по-русски "газоанализатор"). В моем случае, я обойдусь без этого датчика, но я не опечален, а даже рад. На данный момент жду посылки, а дальше буду заказывать или ездить по разборам в поисках 3-х недостающих датчиков…
приехал из Украины блок климат-контроля
решил проверить на работоспособность, благо дома есть аккумулятор от ИБП, а он как раз 12В.
блок управления климат-контроля… в домашних условиях
Вот только что-то он не дует пока.
Съездил сегодня на авторазбор взять с запчасти от Nissan Bluebird Sylphy и вот что я купил:
Гофрированная трубка с датчиком внутренней температуры
резистор отопителя
датчик наружной температуры (сломаны усики крепления), но пока этого будет достаточно.
датчик солнца (сломана посадочная юбка+отсутсвует колпачёк. ) буду продолжать искать по другим разборам либо закажу новый
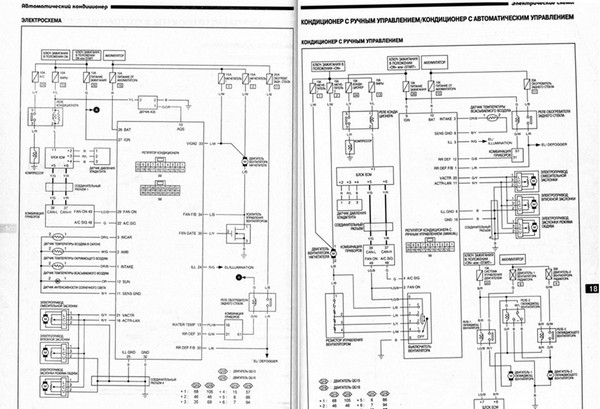
электросхемы блоков
вид сзади
еще один вид сзади
электросхема nissan bluebird sylphy
Ну вот я и установил климат-контроль, ничего сложного если есть всё необходимое, а у меня как раз всё и оказалось (практически. , но об этом позже)
1. Снимаем клемму "-".
2. Для удобства я демонтировал панель под рулевой колонкой, всю центральную часть торпеды и бардачёк с его внутренностями
снял всё мешающееся
3. Со стороны водителя, в районе педали акселератора ищем заглушённое отверстие под усилитель управления вентилятором (арт. NAC 27761-95F0A, арт. N16 27761-AV600)
корпус нагнетателя со стороны водителя
усилитель управления вентилятором
4. Ножом прорезаем отверстие и выламываем заглушку…
отверстие под усилитель
должно получится как-то вот так
готовое отверстие под усилитель
а потом вот так
установленный усилитель
5. Далее смотрим на нагнетатель со стороны магнитолы, там тоже место под аспиратор (арт. NAC 27726-95F0A цена 250руб., арт. N16 27726-AV600 цена 1200руб.) заглушено
корпус нагнетателя со стороны магнитолы
Аккуратно ножом прорезаем отверстие и туда вставляем аспиратор так чтобы одно ушко аспиратора оделось на торчащий прилив
установленный аспиратор
6. Как я устанавливал датчик солнца (27721-95F0A), останавливаться не буду там ничего интересного, тем более что я просто вытащил заглушку и просто положил туда датчик т.к. заглушки под правую сторону и нужно цвета у меня пока нет. Провода, естественно, протянул сразу в блок климата
7. Датчик внутренней температуры (27720-95F0A) тоже легко ставиться
8. Датчик наружной температуры (27722-95F0A) протягивал через левую колёсную арку, демонтировав подкрылок
прокладка провода для датчика наруж. температуры
место прокола для протяжки провода
устанавливал его согласно схемы exist
установленный датчик наружной температуры2
установленный датчик наружной температуры
9. и так про коммутацию проводов. блок ручного управления печкой имеет в блоке вентилятора "резистор управления вентилятором", который поставил меня в путик, но как выяснилось после изучения эл.схем от 3 машин (снегирь, NAC и N16), пришёл к выводу что этот резистор управления вентилятором (но находится в корпусе вентилятора, установлен снизу. ) вовсе не нужен становится. Но вытаскивать его не нужно т.к. будет дыра в корпусе вентилятора. А провода которые берут своё начало от блока управления вытаскиваем из колодки и вставляем в колодку усилителя управления вентилятора (см. п.2), расположение контактов в этой колодке можно посмотреть в эл.схеме от "снегиря".
Совет — если кто-то купит усилитель управления вентилятором без колодки контактов и без обрезков проводов (например с exist, либо на разборе не будет колодки), то колоду можно будет взять от резистора, он всё равно с климат-контролем остаётся незадействован.
Все остальные провода коммутируются сравнивая схемы с ручным управлением и с климат-контролем.
10. в раннем сообщении я указывал что мой блок климата не предусмотрет под газоанализатор AQS (25090-95F0A), так вот я ошибся. Имеется для этого датчика проводок, но пока я поезжу без него, уж больно дорого он стоит, а у "снегирей" нет этого датчика.
11. также блоку климата нужено подключение к датчику охлаждающей жидкости, зачем? Я пока не подключил, но всё и так работает. Поизучаю позже и потом уже доделаю.
Должно получится как-то так…
всё готово
О работе климат контроля:
1. После монтажа всего оборудования, проверил на работоспособность и искроотсутствие. Нажал на кнопку AMB (кнопка показания наружной температуры) и показал действительную температуру (+22С), после прогрева машины датчик показал аж +30С. Радиаторы нагрелись, а датчик находится рядом. От этого при установке в режим "auto" включается сразу кондиционер и воздуховоды сдувают как водителя, так и пассажира, т.е. блок сам регулирует направления потоков воздуха. При таком раскладе простыть даже знойным летом не составит труда.
Вывод буду переносить датчик наружной температуры на усилитель бампера либо куда-нибудь под фару.
2. При регулировке оборотов вентилятора обратил внимание что 3-ий и 4-ый режимы НЕ ОТЛИЧАЮТСЯ, но 3-ий режим мне в принципе не когда не требовался.
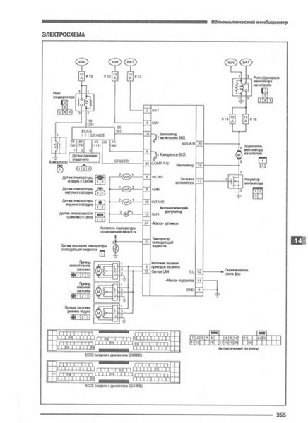
2. Схема для климат—контроля при АЗ для Nissan Almera N16
Итак, в процессе установки сигнализации и уточнения информации в инете, наткнулся на проблему с тем, что климат у многих дует на всю катушку при АЗ, да еще и включает кондиционер, который еще и отключить не дает (вообще не вариант, подумал я ).
Ну и т.к. я не любитель шаблонов, полез сам разбираться в проводке с мультиметром. Итак, штатный режим работы думаю все замечали, в момент запуска стартера, климат отключается, если включить его раньше, там щелкает какая-то релюшка и он дует на всю катушку. Посидев, немного подумав на листке бумаги с ручкой, получилась следующая схема, которая как показала практика, успешно работает. Климат включается с режима, оставленного до АЗ, если в автоматическом режиме, двигатель холодный — выключен, прогревается до 50 градусов — 1 скорость, примерно до 70 включается прогрев салона на всю.
Схемка
https://www.drive2.ru/l/331741/
https://www.drive2.ru/l/4269302/, https://www.drive2.ru/l/4328228/, https://www.drive2.ru/l/4335372/, https://www.drive2.ru/l/4358961/
41913|
|
Твитнуть |
Метки: климат-контроль
Комментарии
- Комментарии не найдены



























Оставьте свой комментарий
Войдите под своим именем, чтобы оставить комментарий
Оставить комментарий от имени гостя