Габаритные огни ВАЗ 2101, 2106, 2107 КЛАССИКА
Содержание статьи:
- Американские габариты в ВАЗ 2107
- Габариты в поворотниках ВАЗ 2104
- Перенос габаритных огней со штатных подфарников в штатные фары ВАЗ 2106
Американские габариты в ВАЗ 2107
Принцип работы:
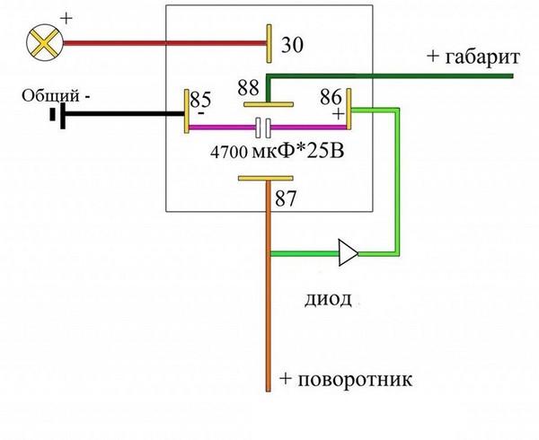
Поворотники загораются при включении габаритных огней (соответственно работают с ближним и дальним светом фар). При включении одного из поворотников один горит, а второй начинает моргать, при выключении поворотника опять загораются оба. Та же история с аварийкой, оба поворотника полностью тухнут и загораются в такт остальным повторителям.
Вот изображение схемы по которой велась работа.
Потребуются нам:
2 конденсатора на 4700мкФ 25вольт
2 диода IN5819
2 5-ти контактных реле и 2 разъема под них (можно купить в любом магазине автозапчастей, лично я только там их нашел)
клеммы мама/папа — мне понадобились только 4 клеммы.
Прямые руки и, хотя бы, начальные навыки пользования паяльником.
И вот я дома прикинул как все должно быть
!ВАЖНО!
Правильно установите диод, иначе работать схема не будет.
По схеме кто-то конденсатор выводил на отдельные провода, я же кондер и диод запаял напрямую в разъем под реле (так, мне показалось, компактней и легче), пошел пробовать.
Примерно накидал проводов проверить работоспособность
получилось вместе с габаритами загораются все поворотники (с левой стороны т.к. там собственно и велась работа). Думал, что же там могло быть, обратился к парню, который уже собирал себе такую схему. Выяснилось, что главное отсоединить + который идет на поворотник от самого поворотника и пустить через реле (по схеме). 
Габариты в поворотниках ВАЗ 2104
Решил, будет не лишним сделать габариты в поворотниках.
Мне понадобится:
1. Держатель безцокольной лампочки от повторителя поворотов ВАЗ 2107 (который на крыле).
2. ДВЕ безцокольные лампочки (с усиками) каждая на 5W — можете больше по мощности поставить.
3. Провода и мамки.
Сверлить не бойтесь, ничего страшного не будет - я проверил. Только одно «но» — когда сверлить начнете отверстие под держатель лампочки, обязательно выньте 21 — ватную лампочку от поворотника с патроном из блок фары, иначе сверлом можете её задеть и тогда у вас в блок фаре стёклышки будут.
Что касается проводки — думаю разберётесь — ничего сложного нет…
Обязательно заизолируйте мамки, которые воткнуты в держатель лампочки — на всякий случай.
Извините, что не могу выложить фотку с включенными габаритами, не могу камеру настроить, чтобы она нормально показала как светят поворотники, с телефона просто фоткал (там как то бликует ужасно и цвета размазываются), на днях сфоткаю на нормальный фотик и выложу фото, не сомневайтесь, смотриться очень даже миленько, мягонький такой свет в оранжевом блоке, приятно смотрится.
Некоторые еще с двухконтактной лампочкой делают, но я отказался от этой идеи - там надо ПАТРОН пилить, сверлить, туда провода какие-то протягивать, контакты спаивать. Потом вся эта конструкция не удобно достаётся, и лампочка в случае если перегорит — трудно меняется. Там контакт один нужно отпаивать, короче, сложно!
Перенос габаритных огней со штатных подфарников в штатные фары ВАЗ 2106
Цель переноса — улучшение внешнего вида автомобиля, повышение безопасности. Не новость, что габаритные огни в подфарниках шестерки еле заметны в сухую летнюю ночь, не говоря уже о слякотной осени и темной заснеженной зимы, когда на бампере скапливается сугробчек, закрывающий подфарники. Габаритный свет в фарах отлично виден в любую погоду.
Для переделки понадобится:
Инструмент:
— Дрель
— Оправка
— Клещи для монтажа клемм
— Отвертка крестовая
— Бокорезы
— Сверла, диаметром от 2мм до 13мм*



Детали:
— Гнездо патрона лампочки. Покупаем на барахолке старые убитые фары от ВАЗ-2101 и выдираем оттуда. Цена вопроса 5р./шт.
— Патрончики габаритов ВАЗ-2101. Покупаем новые в магазине. 3р./шт.
— Фары ВАЗ-2106. Покупаем новые в магазине 100р./шт.
— Провод 2м.
— Клеммы, типа "мама" 10шт.
— лампочки Philips BlueVision 12V 4W 4шт. т.е. две упаковки. (светит белым)


Для начала замеряем диаметр отверстия в фаре ВАЗ-2101, уже не помню точную цифру. И наметив на новой фаре ВАЗ-2106 точку, сверлим отверстие, постепенно увеличивая диаметр сверла. Сверл необходимо иметь минимум 10шт, чтобы не повредить отражатель фары, т.к. он сам по себе очень тонкий.
Место сверления отверстия намечаем согласно горшку фары, в нем есть небольшая выемка, вот напротив нее и сверлим. Иначе патрон с лампочкой будет упираться в горшок.

После того как отверстие просверлено, сжимаем немного гнездо патрона и вставляем в отверстие. Затем при помощи оправки вставленное в центр гнезда, раздавливаем гнездо так чтобы оно плотно и надежно сидело на отражателе фары. Технология простая, реализованная в фаре ВАЗ-2101, остается только повторить.


Далее вставляем лампочку в патрон, патрон в гнездо. Фара готова. Повторяем тоже самое еще с тремя фарами. Все фары готовы.
Далее необходимо подвести провода к лампочке габаритов. Размыкаем контактную площадку, к которой подходят провода от штатных габаритов. Вынимаем из колодки желтый провод и изолируем его. На место желтого провода вставляем клемму, к которой подключаем два голубых провода (если нет голубых, можно взять провода другого цвета). Другие концы голубых проводов продеваем в трубочки, которые идут к горшкам фар. Продев провод, крепим к концу клемму. Это будет "+" габаритов, который цепляется к контакту свежеустановленного патрона. Соединяем колодку. "-" берем от крепления горшка фары, к винтику прикручиваем провод на конце которого устанавливаем клемму. На другой стороне проделываем тоже самое. Проводка готова.

Подсоединяем клеммы новых проводов к лампочке габаритов в фаре. Подгибаем выпирающий кончик патрона так чтобы он не упирался в горшок фары.
Устанавливаем фары на место.

При монтаже обязательно нужно хорошо заизолировать клеммы, и корпус патрона габаритного огня, чтобы не каратило на массу.
В итоге получаем габаритные огни в фарах, светят ярко белым светом. Пользуюсь уже 2 года.

https://www.drive2.ru/l/3201918/, https://www.drive2.ru/l/288230376152109355/, https://www.drive2.ru/l/288230376151790549/
43969|
|
Твитнуть |
Метки: габаритные огни, поворотники
Комментарии
- Комментарии не найдены















Оставьте свой комментарий
Войдите под своим именем, чтобы оставить комментарий
Оставить комментарий от имени гостя